一、產品簡介:
WEW-600F微機屏顯液壓式多功能試驗機,主機采用高精度間隙密封油缸;主要用于金屬、非金屬的拉伸、壓縮、彎曲等試驗。適用于冶金、建筑、輕工、航空、航天、材料、大專院校、科研單位等領域。試驗操作和數據處理符合GB228-2010《室溫材料 金屬拉伸試驗方法》的要求。
二、主機:
1. 主機
主機采用四立柱雙絲杠主機(俗稱6立柱)油缸下置式主機,間隙密封油缸(間隙靠油膜來密封,長期工作不會出現變形、磨損、泄漏現象),拉伸空間位于主機的上方,壓縮、彎曲試驗空間位于主機上方下橫梁和工作臺之間。
2.傳動系統
下橫梁升降電機經減速器、鏈傳動機構、絲杠副傳動,實現拉伸、壓縮空間的調整;注:絲杠不動,螺母旋轉,確保設置在運轉中的幾何精度

主機
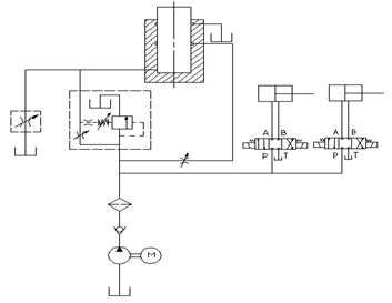
3、液壓系統
液壓原理如圖所示,為負載適應型進油節流調速系統,手動閥控制試驗進程。
油箱內的液壓油通過電機帶動高壓油泵進入油路,流經單向閥、10μ高壓濾油器、壓差閥組、送油閥,進入油缸。通過手動控制送油閥的開口大小,從而控制進入油缸的流量,滿足加載的要求。試驗完成后,打開回油閥卸荷并使油缸返回。

液壓原理圖
2. 屏幕顯示及軟件系統
1) 具有試驗力、力,峰值、試樣變形、活塞位移、試驗曲線的屏幕顯示功能。操作簡便、直觀!

2) 可以按GB228-2010《室溫材料 金屬拉伸試驗方法》的要求完成試驗的數據處理。
軟件中可供您選項的有150個國內和業內公認的相關標準!在試驗機允許的情況下,方便您給各種要求的客戶(國內、國外)提供準備的數據和試驗報告!體現您公司的試驗實力和信譽
3) 測試原始記錄值、報告值按標準GB228的要求修約。
4) 加荷速率可手動控制,可通過試驗力-時間曲線顯示。
5) 金屬拉伸試驗中可自動求取Fm、Rel、Reh、Rp、Rt、Agt、Z、A、Rm等參數,也可對Fel、Fm等進行人工認定,并據此打印結果。可根據要求打印不同內容的報告和
曲線

6) 可輸出并打印力-應變,力-位移,力-時間3中不同形式的曲線。
7) 安全保護裝置
8) 當試驗力超過每檔更大試驗力的2%-5%時,過載保護,停機。
9) 當活塞升起達到上限位置時,行程保護,油泵電機停機。
5、附具
成套附具包括:拉伸附具,壓縮附具。
三、主要性能技術指標
主要技術參數:
1、更大試驗力: 600 kN;
2、試驗力測量范圍:24-600 kN;
3、試驗力示值精度: ±1%;
4、活塞行程:不小于200 mm;
5、活塞更大移動速度:50 mm/min;
6、位移測量分辨力:0.01 mm;
7、位移測量示值精度:±1%;
8、變形測量:如選配標距50mm,更大變形量25mm引伸計一只(符合GB/T12160的要求1級精確度),按1,2,5,10分四檔衰減,自每檔滿量程的20%起為示值的±1%FS;
9、更大拉伸試驗空間:不小于 700 mm (包括活塞行程)
10、更大壓縮空間: 不小于650 mm
11、扁試樣夾持厚度: 0-15 mm
12、夾持寬度:125mm
13、圓試樣夾持直徑:φ13-φ40 mm(13-26、26-40)
14、壓盤尺寸:120 mm
15、夾緊方式:液壓夾緊
16、傳感器:油壓傳感器
17、尺寸:750*650*1950mm;重量:1800Kg
18、電壓:380V(主機),220V;功率:1.8KW
四、系統配置清單:
序 | 品名 | 數量 |
1、 | 試驗機主機(四立柱雙絲杠 ,間隙密封油缸) | 1臺 |
2、 | 琴臺式屏顯油源 | 1套 |
3、 | 手動進回油閥 | 各1只 |
4、 | 雙通道程控放大器 | 1套 |
5、 | 高精度油壓傳感器 | 1只 |
6、 | 光電編碼器 | 1只 |
7、 | 鉗口:平鉗口0-15mm | 1付 |
8、 | 圓鉗口10-20mm;20-32mm | 各一付 |
9 | PC機軟件系統(包括試驗機屏顯通用軟件和接口系統) | 1套 |
10、 | PC機(主流商用品牌機 ) | 1套 |
11、 | 打印機(惠普A4噴墨打印機) | 1臺 |
12、 | 電子引伸計 | 選配 |
五、用戶準備條件
◆產品發貨前用戶需要預澆好混凝土基礎(我公司會預先提供基礎圖); 產品到用戶現 場后,用戶負責產品的接收、吊裝、就位、安裝,并準備好電源。然后通知公司客戶服務部派人員調試。
◆要求盡可能明確試驗所參考執行的試驗方法標準細則。
◆提供在本機上完成試驗的試樣,供產品測試和驗收。
◆68號抗磨液壓油50升。
◆我公司派人員到現場對產品進行免費調試,并對操作人員進行培訓。
◆根據技術協議規定驗收合格后進入免費保修期。產品免費保修服務期限為一年。
◆免費為用戶提供軟件升級服務。
◆合同簽訂后相關地基圖請聯系我司0531-88884911索取。